DM3E-522
分类: DM3E系列EtherCAT总线 发布时间:21-12-31 浏览量:366

1.电气指标
| 参数 | DM3E-522 | |||
| 最小值 | 典型值 | 最大值 | 单位 | |
| 输出电流(峰值) | 0.3 | / | 2.2 | A |
| 电源电压(直流) | 20 | 24 | 50 | Vdc |
| 输入电流 | 6 | 10 | 16 | mA |
| 输入电压 | 5 | / | 24 | V |
| 绝 缘 | 50 | / | / | MΩ |
注:表中输出电流最小值为典型参考,输出电流出厂默认值为1A(峰值),可通过软件自由设定。
2.接口描述
1)端子定义
| 端子号 | 描述 |
| CN1 | 电源端子 |
| CN2 | 电机端子 |
| CN3 | 控制信号端子 |
| CN4 | EtherCAT总线接口端子 |
| MSD | 旋码开关,与LSD设置通讯地址 |
| LSD | 旋码开关,与MSD设置通讯地址 |
2)电源端子
| 端子号 | 图示 | 管脚号 | 信号 | 名称 |
| CN1 | 1 | GND | 电源地 | |
| 2 | +Vdc | 电源正输入端(+24V ~ +48V) |
3)电机绕组端子
| 端子号 | 图示 | 管脚号 | 信号 | 名称 |
| CN2 | 1 | B- | 电机线组B相负端 | |
| 2 | A- | 电机线组A相负端 | ||
| 3 | B+ | 电机线组B相正端 | ||
| 4 | A+ | 电机线组A相正端 |
4) 控制信号端子
| 端子号 | 图示 | 管脚号 | 信号 | 输入/输出 | 名称 |
| CN3 | ![]() |
1 | O1 | 输出 | 数字输出信号1,单端方式,共COM-,OC输出,最大上拉24Vdc,50mA;默认报警功能 |
| 2 | O2 | 输出 | 数字输出信号1,单端方式,共COM-,OC输出,最大上拉24Vdc,50mA;默认到位功能 | ||
| 3 | C+ | 输入公共端 | 输入控制信号公共端,5~24Vdc | ||
| 4 | C- | 输出公共端 | 数字输出信号公共地 | ||
| 5 | I1 | 输入 | 数字输入信号1,单端方式,5~24Vdc;默认探针1功能 | ||
| 6 | I2 | 输入 | 数字输入信号2,单端方式,5~24Vdc;默认原点功能 | ||
| 7 | I3 | 输入 | 数字输入信号3,单端方式,5~24Vdc;默认正限位功能 | ||
| 8 | I4 | 输入 | 数字输入信号4,单端方式,5~24Vdc;默认负限位功能 | ||
| 9 | I5+ | 输入 | 数字输入信号5,差分方式,5~24Vdc;默认自定义功能 | ||
| 10 | I5- | 输入 |
5) EtherCAT总线接口端子
| 端子号 | 图示 | 管脚号 | 信号 | 名称 |
| CN3 | ![]() |
1,9 | E_TX+ | EtherCAT数据发送正端 |
| 2,10 | E_TX- | EtherCAT数据发送负端 | ||
| 3,11 | E_RX+ | EtherCAT数据接收正端 | ||
| 4,12 | / | / | ||
| 5,13 | / | / | ||
| 6,14 | E_RX- | EtherCAT数据接收负端 | ||
| 7,15 | / | / | ||
| 8,16 | / | / | ||
| 连接器外壳 | PE | 屏蔽接地 | ||
| 备注 | ① LED1为“Link/Activity IN”状态灯,绿色
② LED3为“Link/Activity OUT”状态灯,绿色 ③ LED2为“RUN”状态灯,绿色 ④ LED4为“ERR”状态灯,红色 |
|||
6)EtherCAT总线地址设定

DM3E-522支持两种方法设置从站地址:
1、采用2个16位旋转拨码设定驱动器的从站地址,具体定义如下表所示。
当两个旋转拨码数值均设置为“0”时,表示广播。
其余档位为固定从站地址,主站可使用此固定的地址进行设置寻址。
1~255通过两位旋转开关组合设定。
驱动器地址表示为旋转拨码1的档位和旋转拨码2的档位共同组成1个16进制的数值。
地址计算方法如下:
十进制地址=(LSD)+(MSD)*16
如旋转拨码1拨到“A”,旋转拨码2拨到“8”,则对应该驱动器的从站地址为:8+10*16=168。
2、可由主站直接设置从站地址到从站别名寄存器0x12和0x13,主站再使用此地址进行设置寻址。
3. EtherCAT总线规格
1)通信规格
| 项目 | 描述 | |
| EtherCAT
通信 |
物理层 | 100BASE-TX |
| 通信连接器 | RJ45 × 2(端子CN3A=IN,CN3B=OUT) | |
| 网络拓扑结构 | 总线型 | |
| 波特率 | 2 × 100 Mbps(全双工) | |
| 帧数据长度 | 1484 bytes(最大值) | |
| 同步管理器 | SM0:邮箱接收(主站TO从站)
SM1:邮箱发送(从站TO主站) SM2:过程数据输出(主站TO从站) SM3:过程数据输入(从站TO主站) |
|
| 同步模式 | DC Synchronization(SYNC0)
Free Run(自由运行) |
|
| 通信对象 | SDO:服务数据对象
PDO:过程数据对象 EMCY:紧急事件 |
|
| LED指示
(On RJ45连接器) |
L/A IN (Link/Activity IN) × 1
L/A OUT (Link/Activity OUT) × 1 RUN × 1 ERR × 1 |
|
| 通讯协议标准 | CoE:CANopen over EtherCAT | |
| 设备协议标准 | IEC61800-7 CiA402 Drive Profile | |
| CiA402操作模式 | 循环同步位置模式(CSP)、Profile速度模式(PV)、Profile位置模式(PP)、原点模式(HM) | |
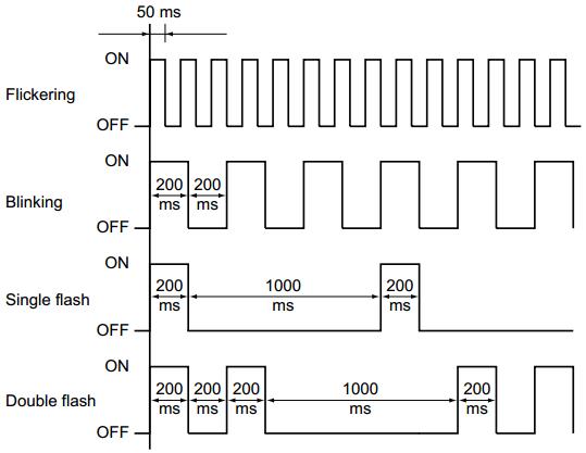
2)LED状态指示规格
| 名称 | 颜色 | 状态 | 描述 |
| RUN | 绿色 | 关(OFF) | 初始化状态(Init state) |
| 闪烁(Blinking) | 预操作状态(Pre-Operational state) | ||
| 单闪(Single flash) | 安全操作状态(Safe-Operational state) | ||
| 开(ON) | 操作状态(Operational state) | ||
| ERR | 红色 | 关(OFF) | 无错误 |
| 闪烁(Blinking) | 通信设置错误(Communications setting error) | ||
| 单闪(Single flash) | 同步错误或通信数据错误
(Synchronization error or communications data error) |
||
| 双闪(Double flash) | 请求看门狗超时(Application WDT timeout) | ||
| 闪烁(Flickering) | 引导错误(Boot error) | ||
| 开(ON) | 内部总线看门狗超时(PDI WDT timeout) | ||
| L/A IN | 绿色 | 关(OFF) | 物理层链路无建立(Link not established in physical layer) |
| 开(ON) | 物理层链路建立(Link established in physical layer) | ||
| 闪烁(Flickering) | 链路建立后交互数据(In operation after establishing link) | ||
| L/A OUT | 绿色 | 关(OFF) | 物理层链路无建立(Link not established in physical layer) |
| 开(ON) | 物理层链路建立(Link established in physical layer) | ||
| 闪烁(Flickering) | 链路建立后交互数据(In operation after establishing link) |
指示灯状态描述如下:

4.使用环境及参数
| 冷却方式 | 自然冷却或强制风冷 | |
| 使用环境 | 场合 | 不能放在其它发热的设备旁,要避免粉尘、油雾、腐蚀性气体,湿度太大及强振动场所,禁止有可燃气体和导电灰尘; |
| 温度 | 0~50℃ | |
| 湿度 | 40~90%RH | |
| 振动 | 10~55Hz/0.15mm | |
| 保存温度 | -20℃~65℃ | |
| 重 量 | 约570克 | |



